1-Wire und RS-485

Übersicht der Anschlüsse des AMPERIX® Home 1
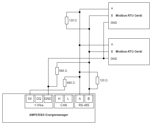
Die integrierte RS-485-Schnittstelle (Anschluss E 1, 2, 3) kann z. B. für den Anschluss von Modbus-RTU-Geräten genutzt werden. Die „GND“-Klemme 3 wird sowohl vom 1-WIRE-Anschluss als auch von der RS-485-Schnittstelle verwendet. Beachten Sie die technischen Vorgaben für den Anschluss.

Aderquerschnitt | 0,5 bis 1,5 mm2, 28 bis 16 AWG |
Leistungslänge | max. 3 m |
Absetzlänge Isolierung | 7 mm |
Anzugsdrehmoment Klemme | 0,2 Nm |
RS-485 (Modbus-RTU)
Bitte beachten Sie, dass sämtliche Geräte im Modbus-RTU-Bus konzeptbedingt die gleichen Kommunikations-Parameter haben müssen, für Baud-Rate (z.B.: '9600') und Übertragungsaufbau (z.B.: '8n1')! Für die Einbindung von 1-Wire-Geräten wenden Sie sich bitte an den Support der Wendeware AG, da hierfür noch Einstellungen auf Terminal-Ebene getroffen werden müssen.

Empfohlenes Verkabelungs-Schema für lange Modbus-RTU-Verbindungen.
Um die Qualität des Modbus-RTU-Signals über die RS-485-Schnittstelle zu verbessern, empfehlen wir, an jedem Ende der Bus-Leitung einen 120 Ohm Widerstand als Abschlusswiderstand anzubringen.
1-Wire
Sobald Sie an den entsprechenden Anschluss einen oder mehrere 1-Wire-Geräte als Bus installiert haben, können sie in der AMPERIX® UI unter [Analyse > OneWire] die Daten sehen, die über diesen Anschluss ausgelesen werden können.

Um diese Sensoren in der AMPERIX® Plattform unter der Messwertanalyse angezeigt zu bekommen, sind manuelle Anpassungen notwendig. Bitte kontaktieren Sie hierzu den Wendeware AG Supprt unter support@wendeware.com.